A Differential Protection Relay is a power protection device based on the principle of AC magnetic restraint, mainly used to detect internal short-circuit faults in equipment such as transformers and generators. It determines faults by comparing the current differences measured by current transformers (CTs) at two points in the system.
Differential protection operates according to Kirchhoff’s Current Law (KCL). When a transformer operates normally or during external faults, it can be regarded as an ideal transformer: the incoming current equals the outgoing current (after conversion). In this case, the differential relay does not operate. When an internal fault occurs in the transformer, both sides (or three sides) supply short-circuit current to the fault point. The resulting secondary currents add up proportionally to the fault current, and the differential relay operates.

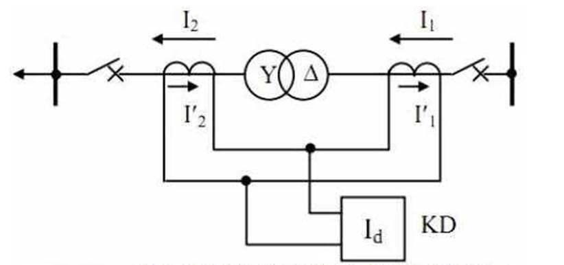
When a transformer is in normal operation, based on KCL, the current flowing into the transformer equals the current flowing out. With CTs correctly connected with the proper polarity on both sides of the transformer, the secondary current on the high-voltage side and the secondary current on the low-voltage side are equal in magnitude but opposite in direction. Their vector sum at the relay is zero, so the protection does not operate. In practice, one side (high-voltage or low-voltage) must be polarity-inverted when wiring, as the relay itself does not internally invert polarity.

As shown below, during normal operation the CT secondary currents are equal and opposite, so the protection does not trip. The relay only operates when a fault occurs within the zone between the CTs.
When a fault (such as phase-to-phase or turn-to-turn short circuit) occurs inside this zone, fault current flows, upsetting the current balance. The primary current direction changes, and after CT polarity inversion, the vector sum of secondary currents is no longer zero but additive. Once the differential current exceeds the relay’s preset threshold, the relay issues a trip signal, opening the breakers on both sides of the transformer and isolating the faulted transformer from the power system.
Differential protection is one of the main protections for transformers, specifically a longitudinal differential protection scheme. The reasons include:
High Sensitivity
Transformers are critical in power systems. Internal faults such as phase-to-phase or turn-to-turn short circuits can cause severe consequences. Longitudinal differential protection detects these faults rapidly, usually tripping within tens of milliseconds, thereby limiting the fault’s impact and preventing damage to the transformer and connected equipment. This ensures system stability and reliability.
High Selectivity and Reliability
Differential protection only responds to faults inside its protection zone. For external faults, it remains inactive. Using KCL, it compares current magnitudes and phases on both sides of the transformer. With correct CT wiring and proper relay settings, it avoids false trips during normal operation, while accurately operating during faults. Its selectivity isolates faults within a very small area, minimizing outages and improving supply continuity and quality.
Wide Applicability
Differential protection works independently of system operating conditions. Whether no-load, full-load, or under any loading, it reliably operates upon detecting abnormal currents within its protection zone. It detects not only phase-to-phase short circuits but also ground faults and other internal faults.
Because of these advantages, differential protection is regarded as a primary safeguard for critical equipment, playing a key role in ensuring safe and stable operation of the power system.
As key protective devices, the correct configuration and testing of differential relays directly affect grid safety and stability. The following field-tested tips can help avoid common pitfalls:
CT Matching and Polarity
The core of differential protection lies in CT matching and calibration. Always check CT ratios and polarity carefully. One real case involved frequent false tripping at a substation due to reversed CT polarity—discovered only after two days of troubleshooting! Always use a protective relay test set to verify CT polarity consistency before commissioning.

Restraint Characteristics
Proper restraint characteristic settings are crucial. A multi-slope (piecewise linear) restraint curve is recommended instead of a simple straight line. Typically, the first slope is set at 0.2–0.3, and the second at 0.5–0.7, though actual system conditions may require adjustments. Don’t forget to set the minimum restraint current, usually 10–20% of rated current, to prevent misoperation during external faults.
Secondary Circuit Resistance
Many engineers overlook secondary circuit resistance. Excessive resistance can cause CT saturation, degrading protection performance. Always measure loop resistance per phase using a loop resistance tester and ensure values are within limits. If resistance is high, check terminal connections and cable sizes.
Harmonic Influence
In systems with many power electronic devices, differential protection can be affected by harmonics. Enable the harmonic blocking function in the relay: for example, block operation if the 3rd harmonic exceeds 20% of rated current. This effectively prevents false trips.
Regular Maintenance
Routine maintenance is vital. Perform a differential relay functional test every quarter by simulating an internal fault to verify tripping characteristics. Record all test data and establish trend analysis to detect potential issues early.
With correct design, configuration, and maintenance, differential protection relays provide highly sensitive, selective, and reliable protection, ensuring the safe and stable operation of power systems.